芯城品牌采购网 > 品牌资讯 > 全部资讯

MCU单片机的3种破解技术-芯城品牌采购网

MCU单片机的安全级别正在逐步提高,一些公司甚至发行了安全性主控。这是一个很糟糕的现象,解释嵌入式领域的信息安全性和程序安全性越来越受大家的重视。然而,对于许多特定行业,如消费者电子产品、高成本通信模块、电源控制模块等,由于成本压力和更换速度问题,不也许采用更安全性的主控MCU,而很大一部分产品甚至还在采用51单片机。大家也许都明白,破译51单片机是一件非常容易的事情,但是为什么难,如何破译,也许

芯城品牌采购网

8337

光伏电源电路的PCB布局-芯城品牌采购网

我在这个项目中的目标是创建一个非常简单,非常紧凑的电路,可以为基于微控制器的嵌入式系统供电。该电路仅在充足照明的时间内有效,因为该设计不包括用于存储剩余能量的电容器或电池。在本文中,我将从电源原理图中了解电路的PCB布局。光伏电源的PCB布局下图显示了PCB顶部和底部的布局。所有组件和大部分痕迹和铜浇注都在顶部;底部主要是地平面。PCB尺寸微控制器是SiliconLabs的EFM8SleepyBe

芯城品牌采购网

8434

车载电源线路用共模滤波器-芯城品牌采购网

DC输入滤波器电路基本构成DC输入滤波器电路的滤波构成受基板图案的接地方法很大影响,需要根据使之衰减的频带和噪声传播途径分别使用适当的部件。在EMI对策中,设计初期阶段最好采用能配置电感器(L)、电容器(C)、共模滤波器(CMF)的图案构成。滤波器构成示例正常(差分)模式噪声和共模噪声传导噪声有正常(差分)模式噪声和共模噪声两种。正常模式噪声发生在电路线路之间并逆相流动,共模噪声发生在电路线和接地

芯城品牌采购网

7471

MPS携新型ACDC电源解决方案迎接低碳新时代-芯城品牌采购网

低碳时代到来,引领小型化和高效率趋势开关电源在80年代替代线性电源之后,电源效率得到了极大的提升,尺寸也大大减少。随着开关电源在各个应用上的不断发展和消费者对便携性的要求,开关电源继续朝着小型化,轻量化的趋势发展。近年来,碳达峰、碳中和“3060”目标开启了低碳新时代,随着节能减排的要求越来越严,人们对环保节能低耗绿色提出了更高要求,对开关电源的能效标准也越来越严。比如,欧盟执委会最新的CoCV5

芯城品牌采购网

7943

如何正确地布设运算放大器-芯城品牌采购网

那如何正确地布设运算放大器的电路板以确保其功能、性能和稳健性呢?事件重现工程师与自己的实习生利用增益为2V/V、负荷为10k、电源电压为+/-15V的非反相配置OPA191运算放大器进行设计。图1所示为该设计的原理图。图1采用非反相配置的OPA191原理图工程师指派实习生为该设计布设电路板,同时为他做了PCB布设方面的一般指导(即尽可能缩短电路板的走线路径,同时将组件保持紧密排布,以减小电路板空间

芯城品牌采购网

6918

据《长春日报》报道,目前,位于长春经开区的半导体激光技术创新中心产线建设项目如期竣工,洁净实验室厂房及动力配套系统投入使用,第一款产品实现量产出货。吉光半导体科技有限公司(以下简称“吉光半导体”)副总经理彭航宇表示,该产线建设项目的完工标志着由国家半导体激光技术创新中心长春主中心负责承建的产业共性技术创新平台已具备相关硬件条件。彭航宇还表示,他们正以长春为主要基地,联合国内优势力量申请组建国家半导

芯城品牌采购网

7323

谁来拯救“低谷期”的芯片大厂?-芯城品牌采购网

若让你回想2022年的半导体,会想到什么?消费端疲弱、芯片暴跌、营收不济....充斥着今年的半导体市场。终端市场的寒风肆意飞扬,蔓延到半导体各产业链环节,行业迈入低谷期,而半导体企业早已身在这危急的困境之中。1半导体冬季已至前几年半导体市场“门庭若市”,可今年以来,PC、智能手机等终端市场持续传来低沉的气息,芯片价格跌跌不休,周围寒气直逼,半导体市场步入下行周期,提前入冬。从需求爆发、缺货涨价、投

芯城品牌采购网

7424

不同的电平信号的MCU如何进行串口通信?-芯城品牌采购网

该电路的核心在于电路中的MOS场效应管(2N7002)。他和三极管的功能很相似,可做开关使用,即可控制电路的通和断。不过比起三极管,MOS管有挺多优势,后面将会详细讲起。下图是MOS管实物3D图和电路图。简单的讲,要让他当做开关,只要让Vgs(导通电压)达到一定值,引脚D、S就会导通,Vgs没有达到这个值就截止。那么如何将2N7002应用到上面电路中呢,又起着什么作用呢?下面我们来分析一下。如果沿

芯城品牌采购网

8301

高稳定性的汽车应用,为什么要选WFM系列检流电阻?-芯城品牌采购网

在选型时我注意到,WFM系列电阻能够提供较高的功率、更高的工作温度,以及长期的稳定性,下面想就以下几个问题请教一下:(1)下面这个产品降额图,图中橙色和蓝色曲线分别代表什么含义?(2)WFM电阻保持长期稳定性的原因是什么?(3)WFM电阻在装配漂移方面的表现如何?是否有这方面的数据?首先回答第一个问题上述曲线是基于标准电气规范第一页所列的端子降额功率,两个图表中分别列出了2010和2512尺寸的W

芯城品牌采购网

7634

需求不敌库存问题与经济疲软夹击,第三季智能手机总产量约2.89亿支-芯城品牌采购网

TrendForce集邦咨询研究显示,第三季全球智能手机总产量达2.89亿支,环比减少0.9%,同比减少11%,打破历年来第三季旺季正成长的规律,显示市况极为萎靡。主因是智能手机品牌厂在优先调节渠道成品库存的考量下,对于第三季的生产规划相当保守,加上全球经济疲软冲击,品牌持续下调生产目标所致。为应对库存上升问题,三星(Samsung)从第二季下旬起即缩减智能手机产量,加上对后势展望保守,故第三季产

芯城品牌采购网

9086

英特尔卷土重来,谁能坐稳后摩尔时代工艺制程王座?-芯城品牌采购网

据国外媒消息,英特尔副总裁兼技术开发负责人AnnKelleher近日表示,英特尔公司正在实现重新获得半导体制造领导地位这一目标。Kelleher表示:“英特尔按季度制定的里程碑显示,我们处于领先地位或步入正轨。”她说,英特尔目前正在量产7nm芯片,另外已准备好开始制造4nm芯片,并将准备在明年下半年转向3nm。谁能坐稳后摩尔时代工艺制程王座?英特尔CEO基辛格曾表示要重回生产技术的领导地位,“重回

芯城品牌采购网

7757

存储芯片是半导体市场最主要的细分领域,也是物联网、云计算、自动驾驶等行业不可或缺的关键元件,亦被广泛应用于消费电子、工控应用、数据中心、智能汽车等各个领域。而封装测试是半导体产业链中必不可少的环节。近年来,我国在封测领域中取得成绩也是有目共睹。数据显示,在全球前十大封测厂商中,中国厂商占据三席之地,其中长电科技排名全球第三、通富微电和华天科技则分别位列第六和第七。随着存储市场需求的扩大,存储芯片封

芯城品牌采购网

9244

具备低电阻与轻薄特点的双电层电容器(EDLC/超级电容器)-芯城品牌采购网

此产品在保持了双电层电容器(EDLC/超级电容器)的最大特点——容量大的同时,其低电阻的特性可对应大电流,而3V以上的额定电压使其方便使用。它还是一种由绿色材料制成的设备。作为电容器的定位双电层电容器(EDLC/超级电容器)可以凭借其大容量来储存较大的能量。TDK的双电层电容器(EDLC/超级电容器)可以储存数mF~500mF的大容量。额定电压为3.2V~4.2V,即使不提高电压,也能得到足够的能

芯城品牌采购网

7039

基于LVDS收发器芯片实现全彩LED控制系统信号传输系统的设计-芯城品牌采购网

引言LVDS(低电压差分信号)是一种能满足超高速数据传输的新技术,它具有低电压、低辐射、低功耗、低成本和内含时钟等优点,尤其适用于有一定传输距离要求的低功耗高速数据传输。由于用LVDS接口传输信号必须先进行LVDS和TTL的转换,所以在LVDS接口处使用专用LVDS收发器芯片不仅提高了成本,而且增大了PCB板的面积;而用千兆网卡传输则需要使用帧同步字,并且在接收端需要对接收到的数据进行同步字校验。

芯城品牌采购网

8550

据东风汽车官方消息,东风旗下智新半导体碳化硅功率模块项目将于2023年实现量产装车。同时,东风汽车与中国信科共建的汽车芯片联合实验室,正在推进车规级MCU芯片在汉落地,预计2024年实现量产;与中芯国际合作,已完成设计首款MCU芯片。作为IGBT模块的升级产品、第三代半导体,碳化硅功率模块有着更低损耗、更高效率、更耐高温和高电压的特性。据介绍,碳化硅功率模块项目于2021年1月在智新立项,目前课题

芯城品牌采购网

10181

英国当地时间12月5日,英国数字、文化、传媒和体育部(DCMS)宣布启动一项可行性研究,旨在寻找支持英国半导体行业的新方法的研究项目以及可能建立一个新的“国家机构”,以促进支撑英国工业的基础设施。DCMS新闻声明显示,该研究还将探讨芯片公司是否需要更好地使用原型设计和制造设施,以解决创新障碍和发展行业;还将探索为初创企业提供更多专业软件工具的机会,以及开发尖端包装工艺的方法。该战略旨在释放英国微芯

芯城品牌采购网

7000

PN二极管的正向导电性-芯城品牌采购网

二极管是常用的电子元件之一,它的特性就是单向导电,也就是电流只可以从二极管的一个方向流过,二极管的作用有整流电路,检波电路,稳压电路,各种调制电路,主要都是由二极管来构成的。二极管工作原理晶体二极管为一个由p型半导体和n型半导体形成的p-n结,在其界面处两侧形成空间电荷层,并建有自建电常当不存在外加电压时,由于p-n结两边载流子浓度差引起的扩散电流和自建电场引起的漂移电流相等而处于电平衡状态。二极

芯城品牌采购网

6980

光敏电阻简介  光敏电阻或光导管,常用的制作材料为硫化镉,另外还有硒、硫化铝、硫化铅和硫化铋等材料。这些制作材料具有在特定波长的光照射下,其阻值迅速减小的特性。这是由于光照产生的载流子都参与导电,在外加电场的作用下作漂移运动,电子奔向电源的正极,空穴奔向电源的负极,从而使光敏电阻器的阻值迅速下降。  光敏电阻是用硫化隔或硒化隔等半导体材料制成的特殊电阻器,其工作原理是基于内光电效应。光照愈强,阻值

芯城品牌采购网

6960

常见的ADC类型及原理-芯城品牌采购网

ADC类型积分型ADC优点:积分型ADC分辨率高,位数可做到12位甚至更高线性度非常好。本质上,输入端与一个集成的参考电压相比较来决定输出端,所以线性度将取决于比较器的精度。电路实现拓扑简单,用于实现这些设备的元件相对较少,因此电路相对简单且生产成本较低。缺点:主要缺点是转换速度慢。N位ADC,输出可能需要长达2个N的时钟周期来转换单个采样点转换原理都是基于对电压积分并将积分后电压与另一电压比较以

芯城品牌采购网

7791

使用氮化镓IC对离线式电源的大电容进行优化-芯城品牌采购网

额定功率低于75W的适配器的组成元件包括:输入滤波器、二极管整流器、输入和输出电容、IC控制器、辅助电源、磁性元件、功率器件和散热片。集成解决方案在缩小和简化变换器方面已经取得了长足的进步,剩下的最大元件就是磁性元件、输入大电容、输出电容和EMI输入级。为了减小磁性元件的尺寸,在高频AC/DC变换器的设计上投入了大量的研究和工程工作。然而,输入大电容所占体积与适配器内的磁性元件相比却差不多甚至更大

芯城品牌采购网

8146

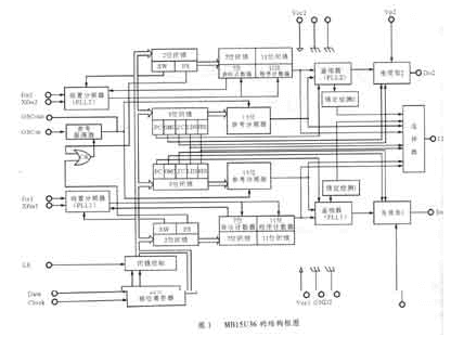
频率合成器MBl5U36的结构性能及应用分析-芯城品牌采购网

1引言随着无线电技术的迅猛发展,雷达、导航、宇宙飞行、导弹及空间探索工作都需要高稳定度、高精度的频率源。锁相振荡源具有频率稳定度高、相位噪声低、易于集成等突出优点,因而成为通信、雷达、武器制导和电子测量仪器等系统的核心部件。在射频及微波系统中,采用串行码数据输入的数字式电荷泵频率合成器,外接压控振荡器(VCO)和环路滤波器,即可组成锁相(PLL)频率源。它具有电路设计简单、功耗低、可灵活编程控制分

芯城品牌采购网

5981

高速串行数据通信CY7B923芯片的性能特点及设计实例-芯城品牌采购网

1概述CY7B923是CYPRESS半导体公司推出的一种用于点对点之间高速串行数据通信的发送芯片。CY7B923采用的是基带传输通信方式,并支持带电插拔(热接插)。其内部电路主要包括时钟产生器、输入寄存器、编码器、移位寄存器、三对差分PECL输出对以及测试逻辑等。该芯片外转帐电路比较简单,不需单片机或微机控制,并且内置有自测试电路,因此使用比较方便。CY7B923的最大传输速率可达400Mbps,

芯城品牌采购网

7234

为何设计可靠电源时应考虑真实的电压源呢?-芯城品牌采购网

输入电压经常指定为一个范围,因为通常无法精确调节。但是,为了使电源可靠地工作,输入电压必须始终在开关稳压器允许的范围内。例如,12V电源电压的典型输入电压范围为8V至16V。图1所示为从12V标称电压产生3.3V电压的降压型转换器(降压拓扑)。图1.与系统直流电压源一起显示的降压型开关稳压器。但是,在设计DC-DC转换器时,仅考虑输入电压最小值和最大值是不够的。图1显示降压转换器在正输入处有一个开

芯城品牌采购网

6885

新能源汽车驱动电机结构与工作原理-芯城品牌采购网

1驱动电机的作用驱动电机、电控系统、动力电池是电动汽车的核心部分,称为“三电”。在电动汽车上,驱动电机替代了传统汽车上的发动机和发电机,传统汽车通常是把化学能转换为机械能驱动车辆行驶,而驱动电机既可以将电能转换为机械能驱动汽车行驶,也可以作为发电机将机械能转换为电能,并存储在动力电池内。电机控制器将动力电池的高压直流电变换为驱动电机的高压三相交流电,使驱动电机产生力矩,并通过传动装置将驱动电机的旋

芯城品牌采购网

8368

MOS管GS波形的振荡是怎么回事?-芯城品牌采购网

我们很多时候都在波形,看输入波形,MOS开关波形,电流波形,输出二极管波形,芯片波形,MOS管的GS波形,我们拿开关GS波形为例来聊一下GS的波形。我们测死MOS管GS波形时,有时会看到下图中的这种波形,在芯片输出端是非常好的方波输出,但一旦到了MOS管的G极就出问题了,有振荡,这个振荡小的时候还能勉强过关,但是有时候振荡特别大,看着都教人担心会不会重启。这个波形中的振荡是怎么回事?有没有办法消除

芯城品牌采购网

6444

TM1810-3,TM1810-2LED恒流驱动IC-芯城品牌采购网

遗留的测试问题:●TM1810两款输出电流的实际范围是多少?●TM1810工作的电压与恒流之间的关系?●为什么有的激光管是三个管脚?有的是四个?02芯片资料下面资料来自于TM1810网络资源[2]。03实验与分析1.芯片的封装TM1810采用SOT23的封装形式。在芯片顶层有丝印字表明芯片的型号。TM1810-2,-3不同的芯片刻字2.测试电路使用数控电源+10欧姆电阻+LED+TM1810(2,

芯城品牌采购网

8374

USB3.0接口保护ESD应用-芯城品牌采购网

USB3.0特点通用串行总线(USB)规范的3.0版本提供了比USB2.0在性能上的飞跃。将数据速率提高了10倍。它还将传输线扩展到3个差分对(与前2.0代中的1个相比)。USB于1996年推出1.0版。在低速度(LS)模式下1.5Mbit/sec,在全速度(FS)模式下12Mbit/秒。在2000年USB2.0进入市场。新的高速(HS)模式可达480Mbit/sec。它仍然向下兼容低速和全速模式

芯城品牌采购网

8725

MLX10803LED驱动器如何控制高亮度LED-芯城品牌采购网

本应用笔记介绍了MLX10803LED驱动器如何控制高亮度LED的方法。该文档还描述了也可以应用于其他应用的电路,只要它在MLX10803的类似规格(例如MLX10801)之内即可。EMR/EMC每种有功电流调节都会在调节后的输出上产生纹波,该纹波会产生电磁辐射(EMR)和与周围电子电路的电磁耦合(EMC)。MLX10803和本文档中描述的应用程序旨在最大程度地减少EMR。设计电路板和物理应用时,

芯城品牌采购网

8969

功率放大器基于压电主动传感技术健康监测方法中的的应用-芯城品牌采购网

实验名称:功率放大器基于压电主动传感技术健康监测方法中的的应用实验目的:验证压电陶瓷传感器的时间反演法能够有效地对螺栓球节点连接区的连接状态和受力状态进行监测。实验设备:功率放大器ATA-2022H,压电陶瓷,螺栓球,套筒,数据采集卡,电脑。实验内容:本实验将利用压电陶瓷传感器,通过模型试验,对基于时间反演技术的螺栓球节点连接区健康状态监测方法进行验,时间反演聚焦信号的峰值只与该信号在结构上传递时

芯城品牌采购网

9113

IGBT的原理作用、参数选型和注意事项-芯城品牌采购网

目前IGBT的主要销售品牌有,飞兆(又名仙童快捷)三菱、富士、东芝、三社、三垦、西门康、英飞凌.IGBT是绝缘栅双极型晶体管(isolatedgatebipolartransistor),它是八十年代初诞生,九十年代迅速发展起来的新型复合电力电子器件。igbt将mosfet与gtr的优点集于一身,既有输入阻抗高、速度快、热稳定性好、电压驱动型,又具有通态压降低、高电压、大电流的优点。西门康三肯英飞

芯城品牌采购网

8721

最新英飞凌INFINEON2300VIGBT7系列模块-芯城品牌采购网

基于TRENCHSTOP™IGBT7PrimePACK™的兆瓦级T型三电平桥臂模块组基于TRENCHSTOP™IGBT7的PrimePACK™1500V直流NPC2三电平桥臂IGBT模块组,风冷条件下系统功率1.8MW。产品描述:▪️FF1800R23IE7,FF1800R23IE7P1800A2300V半桥▪️FF2400RB12IP7,FF2400RB12IP7P2400A1200V共集电极双

芯城品牌采购网

9165

XILINXFPGA和ADI合作的八大领域-芯城品牌采购网

从消费类电子到工业、电信基础架构设备,现场可编程门阵列(fpga)与连接外面世界的模拟及混合信号ic如影随形,通过可编程功能集成为系统提供增值设计。当系统中需要多个关键元件实现数据采集和处理功能时,您可以考虑是否选择fpga更实惠。那么,如何确定哪些器件最适合您的应用,而且它们之间的协同工作能力更强呢?xilinx和ADI提供了一个最佳模式,帮助您成功完成产品开发。在过去的二十五年里,xilinx

芯城品牌采购网

9971

STM32MCU如何通过ADC模拟来实现看门狗掉电保存-芯城品牌采购网

STM32系列MCU单片机芯片很多时候我们需要将程序中的一些参数、数据等存储在EEPROM或者Flash中,达到掉电保存的目的。但有些情况下,程序需要频繁的修改这些参数,如果每次修改参数都进行一次保存,那将大大降低存储器的寿命。尤其是单片机内部Flash,以STM32F030K6T6为例的MCU芯片,擦写寿命只有1000次。当然,这是最小值,实际可能比这个多,但也是有风险。因此,最好的办法就是在程

芯城品牌采购网

10209

TI德州仪器半导体分享:突破功率器件密度障碍的3种方法-芯城品牌采购网

几乎每个应用中的半导体数量都在成倍增加,电子工程师面临的诸多设计挑战都归结于需要更高的功率密度。例如下面这几类应用:超大规模数据中心:机架式服务器工作使用的功率让人难以置信,这让公用事业公司和电力工程师难以跟上不断增长的电力需求。电动汽车:从内燃机到800V电池包的过渡会导致动力总成的半导体组件数量呈指数增加。商业和家庭安防应用:随着可视门铃和互联网协议摄像头变得越来越普遍,它们的尺寸越来越小,这

芯城品牌采购网

9515

FPGA编程的三大知识点-芯城品牌采购网

虽然FPGA可使用Verilog或VHDL等低层次硬件描述语言(HDL)来编程,但现在已有多种高层次综合(HLS)工具可以采用以C/C++之类的更高层次的语言编写的算法描述,并将其转换为Verilog或VHDL等低层次的硬件描述语言。随后,下游工具即可对转换后的语言进行处理,以便对FPGA芯片器件进行编程。此类流程的主要优势在于,您可使用诸如C/C++等编程语言来编写高效代码,而后将代码转换为硬件

芯城品牌采购网

9041

安森美带您了解碳化硅(SiC)半导体-芯城品牌采购网

碳化硅半导体制造建立在现有的生产方法之上,但需要全新的工艺,用来提高产量和降低成本,保证在生产过程中每个阶段的最高质量。让安森美(ONSemiconductor)碳化硅(SiC)从工艺制造技术的角度,带您走近碳化硅。工业和汽车是中功率和大功率电子元器件的两个大市场。随着诸如IGBT的现有技术与碳化硅(SiC)和氮化镓(GaN)等技术相结合,工业、汽车和其他电气化趋势正在重塑其应用的领域,借助这种趋

芯城品牌采购网

10303

TI教你解决MCU单片机800V电动汽车EV牵引逆变器常见设计挑战的三种方式-芯城品牌采购网

解决MCU单片机800V电动汽车EV牵引逆变器常见设计挑战的三种方式在电动汽车(EV)牵引逆变器是电动汽车的核心。它将高压电池的直流电转换为多相(通常为三相)交流电以驱动牵引电机,并控制制动产生的能量再生。电动汽车电子产品正在从400V转向800V架构,这有望实现:快速充电–在相同的电流下提供双倍的功率。通过利用碳化硅(SiC)提高效率和功率密度。通过使用更细的电缆减少相同额定功率下800V电压所

芯城品牌采购网

10333

一文搞懂I2S通信总线的工作原理-芯城品牌采购网

今天我们来讨论I2C通信总线,这篇文章将说说I2C的变体:I2S通信总线I2C和I2S都是飞利浦半导体发布的串行总线(2006年迁移到NXP恩智浦)I2S是在I2C之后发布的,I2S是为传输音频数据而设计的。I2S(Inter-ICSound)总线,也称为集成电路内置音频总线,是飞利浦半导体公司开发的用于数字音频设备之间音频数据传输的总线标准。采用独立有线传输时钟和数据信号的设计,通过将数据和时钟

芯城品牌采购网

9108

两种传导噪声的对比了解-芯城品牌采购网

差模(常模)噪声与共模噪声传导噪声可分为两种。一种是“差模噪声”,也称为“常模噪声”。这两种称呼有时可根据条件区分使用,不过在本文中作为相同的名词处理。另一种是“共模噪声”。来看下图。本文是围绕电源展开介绍的,因此图例是将带有电路的印刷电路板(PCB)装在壳体中,并由外部给电的示例图。差模噪声产生在电源线之间,是噪声源对于电源线串联进入,噪声电流与电源电流方向相同。由于往返方向相反而被称为“差模(

芯城品牌采购网

8058

大基金二期投资这家SiC设备厂!-芯城品牌采购网

据企查查资料显示,国家集成电路产业投资基金二期股份有限公司(以下简称:大基金二期)入股了北京烁科中科信电子装备有限公司(以下简称:烁科中科信),持股比例为8%。据了解,烁科中科信成立于2019年6月,由中电48所和北京中科信离子注入机业务战略整合而成,是国内集成电路高端工艺装备的领先企业,主营业务包括半导体器件专用设备的制造。公司总部位于北京市经济技术开发区(通州)光机电一体化产业基地,在长沙设有

芯城品牌采购网

8733

半导体周期虽然出现阶段性调整,但受益于新能源汽车、新能源发电等需求推动,以IGBT(绝缘栅双极型晶体管)为代表的功率器件强势增长,相关IGBT公司订单量饱满,产能供不应求。车规级IGBT持续放量作为IGBT龙头,斯达半导今年前三季度实现净利润达到5.9亿元,同比增长1.21倍,增速超过营业收入,销售毛利率达到41.07%,环比提升。在12月5日斯达半导三季度业绩说明会上,公司高管介绍,近几个季度营

芯城品牌采购网

8563

电源布局,电源设计成功的重要一环-芯城品牌采购网

在成功的电源设计中,电源布局是其中重要的一个环节。但是,在如何做到这一点方面,每个人都有自己的观点和理由。事实是,很多不同的解决方案都是殊途同归;如果设计不是真的一团糟,多数电源都是可以正常工作的。当然,这其中也有一些通用性规则,例如:不要在快速切换信号中运行敏感信号。换言之,不要在开关节点下运行反馈跟踪。确保功率载荷跟踪和接地层大小足以支持当前的电流。尽量保持至少一个连续的接地层。使用足够的通孔

芯城品牌采购网

8402